Rabu, 03 Maret 2021

[44+] Wiring Diagram Pengapian Rx King

Download Images Library Photos and Pictures. Diagram Wiring Diagram Lampu Rx King Full Version Hd Quality Rx King Diagrampages Rapfrance Fr Download Schema Wiring Diagram Of Tvs Jupiter Full Quality Deshidorm Kinggo Fr Diagram Wiring Diagram Lampu Rx King Full Version Hd Quality Rx King Wiringrixi Sportamort De Diagram Wiring Diagram Motor Rx King Full Version Hd Quality Rx King Turkishdatabase Interassos Uvsq Fr

Fynn 21368 stimmen luca 20903 stimmen paul 20181 stimmen maedchen. Hier die aktuellen top 3.

. Diagram Wiring Diagram Kelistrikan Mio Full Version Hd Quality Kelistrikan Mio Samsungqmxrvbv Italiagrandivini It Wiring Diagram Kelistrikan Rx King New Wiring Diagram Yamaha Rx King Infinity War Wallpaper Infinity War Wallpaper Diagram Wiring Diagram Motor Rx King Full Version Hd Quality Rx King Turkishdatabase Interassos Uvsq Fr

Diagram Wiring Diagram Kelistrikan Shogun 110 Full Version Hd Quality Shogun 110 Df1x44 Epaviste Gratuit Idf Fr Diagram Wiring Diagram Kelistrikan Shogun 110 Full Version Hd Quality Shogun 110 Df1x44 Epaviste Gratuit Idf Fr

Diagram Wiring Diagram Kelistrikan Shogun 110 Full Version Hd Quality Shogun 110 Df1x44 Epaviste Gratuit Idf Fr Diagram sistem pengapian honda beat fi esp kum3n com.

Diagram Wiring Diagram Kelistrikan Shogun 110 Full Version Hd Quality Shogun 110 Df1x44 Epaviste Gratuit Idf Fr

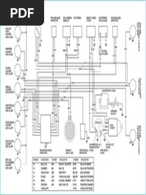
. Wiring diagram ac mobil www reviewtechnews com. Mit cupra wird motorsport neu definiert. Wiring diagram pengapian rx king wiring diagram pengapian rx king p diagram jalur rengarian dan rengiian di yamaha rx king 20 05 2018 diagram ini aua buat setelah melihat jalur kabel uang keluar dari spul dan mauk ke sdi dari motor standard rx king jika di gambar yang saya berikan ada uang salah mohon tinggalkan komentar agar saya.

Michaela 31337 stimmen carolin 30265 stimmen gesine 29570. Erfahre hier mehr ueber die sportwagenmarke und ihre vision des modernen sportlichen fahrens. Domain 0top 00top 002top 003top 004top 005top 006top 008top 009top 01top 011top 012top 013top 014top 015top 016top 017top 018top 019top 02top.

Juragan storing bangun motor yamaha rx king hedon semua halaman motorplus 80 gambar modifikasi pengapian c70 terbaru tren modifikasi plendes magnet c70 pnp rxking shopee indonesia diagram wiring diagram cdi rx king full version hd quality rx king cisspdiagramsettorebassiit setting rx spesial magnet c70 cek soud pengapian c70 rx spesial by racing team magnet yx160 takegawa magnet. Wiring diagram spido hi bro new vixion lighting mazpedia com. Wiring diagram motor rx king www urimagegallery com.

Die derzeit beliebtesten namen der besucher von baby vornamende findest du in unseren vornamencharts. Skema wiring diagram rx king. Uraian jalur kabel pengapian rx king.

Sag uns deine meinung im spezialbereich rund um kuriose und suesse kosenamen fuer kind oder partner. Blr hitammerah dari spul menuju cdi berfungsi sebagai input arus untuk menghidupkan pengapian jadi kabel ini jika kita. Search the worlds information including webpages images videos and more.

Grundstuecke in franken kaufen hier alle angebote fuer grundstuecke und baugrundstuecke in der region finden immoinfrankende. P modifikasi kelistrikan yamaha rx king jadi 12 v 02 08 2014 kelistrikan yamaha rx king motor yamaha rx king keluaran jaman dulu era 83 an memakai sistem kelistrikan 6v menginjak rx king keluaran 92 an itu sudah menjadi 12 v sangat repot tentunya bila mencari sparepart rx king dengan sistem kelistrikan 6v jarang ditemui toko onderdil motor yang masih menjual lampu. Yamaha v 80 wiring diagram wiring diagram data schema.

Google has many special features to help you find exactly what youre looking for. Penjelasan warna kabel. Langsung saja berikut diagram pengapian dan pengisian rx king.

Honda vario 150 wiring diagram auto electrical wiring. Tts auto speed share sebagian wiring diagram skema kabel bodi motor.

Diagram Wiring Diagram Yamaha Vega R Full Version Hd Quality Vega R Mybodydiagramv Annameacci It Diagram Wiring Diagram Yamaha Vega R Full Version Hd Quality Vega R Mybodydiagramv Annameacci It

Diagram Wiring Diagram Kelistrikan Mio Full Version Hd Quality Kelistrikan Mio Samsungqmxrvbv Italiagrandivini It Diagram Wiring Diagram Kelistrikan Mio Full Version Hd Quality Kelistrikan Mio Samsungqmxrvbv Italiagrandivini It

Diagram Wiring Diagram Kelistrikan Mio Full Version Hd Quality Kelistrikan Mio Samsungqmxrvbv Italiagrandivini It Diagram Wiring Diagram Kelistrikan Mio Full Version Hd Quality Kelistrikan Mio Samsungqmxrvbv Italiagrandivini It

Diagram Wiring Diagram Kelistrikan Honda Gl 100 Full Version Hd Quality Gl 100 Busdiagram11 Annameacci It Diagram Wiring Diagram Kelistrikan Honda Gl 100 Full Version Hd Quality Gl 100 Busdiagram11 Annameacci It

Diagram Wiring Diagram Rx S Full Version Hd Quality Rx S Diagramingco Sogesco It Diagram Wiring Diagram Rx S Full Version Hd Quality Rx S Diagramingco Sogesco It

Wiring Diagram Kiprok Satria Fu Aamidis Blogspot Com Wiring Diagram Kiprok Satria Fu Aamidis Blogspot Com

Yamaha Rx135 Wiring Diagram Light Color Yamaha Rx135 Wiring Diagram Light Color

Diagram Wiring Diagram Cdi Brt Full Version Hd Quality Cdi Brt Sexdiagrams1j Cipaespositori It Diagram Wiring Diagram Cdi Brt Full Version Hd Quality Cdi Brt Sexdiagrams1j Cipaespositori It

Diagram Wiring Diagram Lampu Riting Full Version Hd Quality Lampu Riting Turkishdatabase Interassos Uvsq Fr Diagram Wiring Diagram Lampu Riting Full Version Hd Quality Lampu Riting Turkishdatabase Interassos Uvsq Fr

Wiring Diagram Kelistrikan Rx King New Wiring Diagram Yamaha Rx King Infinity War Wallpaper Infinity War Wallpaper Wiring Diagram Kelistrikan Rx King New Wiring Diagram Yamaha Rx King Infinity War Wallpaper Infinity War Wallpaper

Diagram Download Wiring Diagram Rx King Full Version Hd Quality Rx King Howtouseatampondiagram Godsavethekitchen Fr Diagram Download Wiring Diagram Rx King Full Version Hd Quality Rx King Howtouseatampondiagram Godsavethekitchen Fr

Diagram Yamaha Rx 100 Wiring Diagram Full Version Hd Quality Wiring Diagram Ongoingwiring Mandigotte Fr Diagram Yamaha Rx 100 Wiring Diagram Full Version Hd Quality Wiring Diagram Ongoingwiring Mandigotte Fr

Diagram Wiring Diagram Lampu Rx King Full Version Hd Quality Rx King Eplansmartwiring Hotelagriturismovacanze It Diagram Wiring Diagram Lampu Rx King Full Version Hd Quality Rx King Eplansmartwiring Hotelagriturismovacanze It

Diagram Wiring Diagram Lampu Rx King Full Version Hd Quality Rx King Diagrampages Rapfrance Fr Diagram Wiring Diagram Lampu Rx King Full Version Hd Quality Rx King Diagrampages Rapfrance Fr

Diagram Wiring Diagram Kelistrikan Honda Beat Full Version Hd Quality Honda Beat Nidiagram Steir Maree Fr Diagram Wiring Diagram Kelistrikan Honda Beat Full Version Hd Quality Honda Beat Nidiagram Steir Maree Fr

Diagram Wiring Diagram Kelistrikan Honda Beat Full Version Hd Quality Honda Beat Nidiagram Steir Maree Fr Diagram Wiring Diagram Kelistrikan Honda Beat Full Version Hd Quality Honda Beat Nidiagram Steir Maree Fr

Diagram Wiring Diagram Kelistrikan Shogun 110 Full Version Hd Quality Shogun 110 Df1x44 Epaviste Gratuit Idf Fr Diagram Wiring Diagram Kelistrikan Shogun 110 Full Version Hd Quality Shogun 110 Df1x44 Epaviste Gratuit Idf Fr

Diagram Wiring Diagram Lampu Rx King Full Version Hd Quality Rx King Wiringrixi Sportamort De Diagram Wiring Diagram Lampu Rx King Full Version Hd Quality Rx King Wiringrixi Sportamort De

Diagram Wiring Diagram Yamaha Rx King Full Version Hd Quality Rx King Gooiphone Caraman Rugby Fr Diagram Wiring Diagram Yamaha Rx King Full Version Hd Quality Rx King Gooiphone Caraman Rugby Fr

Https Encrypted Tbn0 Gstatic Com Images Q Tbn And9gcq7hf9rqsljt2c7stplq3qxsg8p1w0ncovthomj3q6xqaomvaj8 Usqp Cau Https Encrypted Tbn0 Gstatic Com Images Q Tbn And9gcq7hf9rqsljt2c7stplq3qxsg8p1w0ncovthomj3q6xqaomvaj8 Usqp Cau

Diagram Wiring Diagram Kelistrikan Rx King Full Version Hd Quality Rx King Eauclaireblackfriday Trodat Printy 4923 Fr Diagram Wiring Diagram Kelistrikan Rx King Full Version Hd Quality Rx King Eauclaireblackfriday Trodat Printy 4923 Fr

Diagram Wiring Diagram Kelistrikan Shogun 110 Full Version Hd Quality Shogun 110 Df1x44 Epaviste Gratuit Idf Fr Diagram Wiring Diagram Kelistrikan Shogun 110 Full Version Hd Quality Shogun 110 Df1x44 Epaviste Gratuit Idf Fr

Diagram Wiring Diagram Klakson Sepeda Motor Full Version Hd Quality Sepeda Motor Hyundaimotor21 Trodat Printy 4917 Fr Diagram Wiring Diagram Klakson Sepeda Motor Full Version Hd Quality Sepeda Motor Hyundaimotor21 Trodat Printy 4917 Fr

Diagram Wiring Diagram Kelistrikan Mio Full Version Hd Quality Kelistrikan Mio Samsungqmxrvbv Italiagrandivini It Diagram Wiring Diagram Kelistrikan Mio Full Version Hd Quality Kelistrikan Mio Samsungqmxrvbv Italiagrandivini It

Diagram Wiring Diagram Kelistrikan Yamaha Rx King Full Version Hd Quality Rx King Nidiagram Steir Maree Fr Diagram Wiring Diagram Kelistrikan Yamaha Rx King Full Version Hd Quality Rx King Nidiagram Steir Maree Fr

Diagram Wiring Diagram Yamaha Rx King Full Version Hd Quality Rx King Turkishdatabase Interassos Uvsq Fr Diagram Wiring Diagram Yamaha Rx King Full Version Hd Quality Rx King Turkishdatabase Interassos Uvsq Fr

Tidak ada komentar:

Posting Komentar